如圖所示,由于變壓器結構上的特殊性,在變壓器初、次級之間是有分布電容的存在,這也是漏磁存在的原因之一。
本文主要簡要分析開關電源中變壓器初、次級線圈之間的屏蔽層對產品EMI的影響。
1、現象描述
我們常見的開關電源內部結構如下圖所示:
其中使用的變壓器初次級線圈之間用屏蔽材料(銅箔)進行屏蔽,并且屏蔽層通過導線接至初級線圈的參考地平面。如下圖所示:
對該開關電源進行輻射發射和傳導騷擾測試,可以順利通過EN55022標準中規定的 CLASSB的限值要求,其測試幅頻曲線如下所示:
使用帶屏蔽隔離變壓器時的輻射發射測試結果圖
使用帶屏蔽隔離變壓器時的傳導發射測試結果圖
我們將其中使用的隔離變壓器改成非屏蔽的變壓器,再次進行輻射發射和傳導騷擾的測試,發現兩個測試都超限值了,結果如下:
使用非屏蔽變壓器時輻射發射測試結果
使用非屏蔽變壓器時傳導騷擾測試結果
究竟為什么屏蔽層起了這么大作用呢?下面我們從開關電源工作原理開始分析。
2、原因分析
開關電源,顧名思義,是通過控制功率管的開關來實現電壓值的變換,其簡要工作框圖如下所示,后面有機會再詳細介紹開關電源工作原理。
對開關電源來說, 開關電路產生的電磁騷擾是開關電源的主要騷擾源之一。
開關電路是開關電源的核心,主要由功率開關管和高頻變壓器組成。功率管開關時產生較大輻度的脈沖(類似PWM波), 這種波形頻帶較寬且有豐富的諧波。其騷擾傳播示意圖如下圖所示:
這種騷擾的原理如下:
開關管負載為高頻變壓器的初級線圈, 是感性負載。
在開關管導通瞬間, 初級線圈中的電流變化率最大,這時會在初級線圈的兩端出現較高的浪涌尖峰電壓。
在開關管斷開瞬間, 由于初級線圈的漏磁通, 致使一部分能量沒有從初級傳輸到次級, 儲存在電感中的這部分能量將和集電極電路中的電容、 電阻形成帶有尖峰的衰減振蕩, 疊加在關斷電壓上, 就形成了關斷電壓尖峰。
這種功率管的關斷,會產生與初級線圈接通時一樣的比較大的電流變化率,進而產生較大的干擾噪聲(U=L*di/dt),這個噪聲會通過容性耦合(分布電容)的方式傳導到輸入/輸出端, 形成傳導騷擾。
隔離變壓器初級線圈,功率開關管和濾波電容構成的高頻開關電流環路可能會產生較大的空間輻射,形成輻射騷擾。如圖中2號路徑,因此這個地方的Layout非常重要,要盡量減少此處環路的面積。
如果濾波電容容量不足或高頻特性不好,電容上的高頻特性阻抗會使高頻電流以差模的方式傳導到交流電源中形成傳導騷擾。
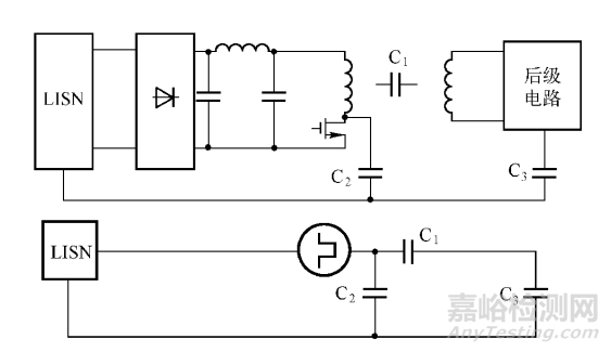
變壓器的初、次級之間存在分布電容, 使得初級回路中產生的騷擾向次級回路傳遞,如下圖所示:
在圖中可以看出,這種分布電容一方面會加大騷擾的傳遞路徑,還會使得LISN接收到更多的電流,使得傳導騷擾測試超過限值。上圖的等效電路如下圖所示:
如果在變壓器中增加屏蔽層,并與初級回路的參考地相接,如圖下圖所示:
這相當于截斷了騷擾向后傳遞的路徑,減小了騷擾傳遞的環路面積,進而抑制了傳導發射騷擾與輻射發射騷擾,其等效電路圖如下所示:
圖中的A點即為前面圖中介紹的屏蔽層的位置。
3、處理措施
從前面的分析中,我們可以看出,當開關電源中如果有輻射發射和傳導騷擾的情況出現,可以做如下處理:
檢查變壓器是否為非屏蔽變壓器,如果是非屏蔽變壓器,建議更換成屏蔽的,并保證屏蔽層接初級線圈的參考地。
為了保證發揮屏蔽層良好的隔離作用,屏蔽層與參考地連接要保證“零阻抗”,這是判斷屏蔽效果好壞的關鍵。
實踐證明,沒有任何縫隙或通孔的單一金屬導體,長寬比小于5,具有極低的阻抗。
4、思考和啟示
經過上面的分析,我們可以得到如下啟示:
帶屏蔽的變壓器, 可以有效地抑制開關電源中共模噪聲向后一級電路的傳輸。
這種屏蔽不是一般意義上的電磁屏蔽,而是一種靜電屏蔽,屏蔽層要求接地(或接參考地,或接另一極)。
電磁屏蔽所用的導體原則上可以不接地,但對于靜電屏蔽來說,不接地的屏蔽導體會產生所謂 “負靜電屏蔽” 效應,會累積電荷。
如功率開關管和輸出二極管通常有較大的功率損耗,為了散熱往往會安裝散熱器,散熱器和元器件之間通常會填充導熱絕緣材料(如導熱硅脂),因此散熱器和器件之間以及散熱器和底板之間會產生分布電容,即上圖中的Cp ,該分布電容會將電磁騷擾耦合到交流電源的輸入端形成共模干擾,所以通常會將散熱器接參考地。
