每個人都知道,EMC描述了產品的性能,即電磁發射/干擾EME和電磁抗擾EMS。EMI它還包括傳導和輻射;EMS還含有靜電.脈沖群.浪涌等。本文將從EMS從浪涌抗擾度的角度,分析設計電源的前級電路。
抗浪涌電路分析
如圖1所示,它通常用于小功率電源模塊EMC前級原理圖,FUSE為保險絲,MOV壓敏電阻,Cx為X電容,LDM為差模電感,Lcm為共模電感,Cy1和Cy2為Y電容,NTC熱敏電阻。其中Y電容.雖然共模電感的主要功能不是提高電路的浪涌抗擾程度,但它們間接影響了電路的設計。
圖1.常用EMC前級電路
對ACL與ACN兩者之間施加的浪涌電壓稱為差模浪涌電壓,差模路徑如圖中紅線所示;是的,ACL(或ACN)與PE兩者之間施加的電壓稱為共模浪涌電壓,共模路徑如圖藍線所示。
在設計抗浪涌電路之前,必須確定相應的電路“電磁兼容標準”,如IEC/EN61000-4-5(對應GB/T17626.5)規定了浪涌抗擾度的要求.試驗方法.試驗等級等。下面我們將根據本標準的規定來討論抗浪涌電路的設計。
當輸出開路時,浪涌電路產生1.2/50μs浪涌電壓,在短路時會產生8/20μs浪涌電流。
有效輸出阻抗為2Ω,因此,開路電壓峰值為XKV短路峰值電流為(X/2)KA。
當對ACL(或ACN)和PE抗浪涌試驗期間,耦合電路串入10Ω如果電阻忽略了串聯耦合電容的影響,那么短路峰值電流就會變成約(X/12)KA。
相關設備介紹
1.壓敏電阻
壓敏電阻的選擇最重要的參數是:最大允許電壓.最大鉗位電壓.能承受浪涌電流。
首先,最大允許電壓電阻電壓大于電源輸出電壓的最大值電壓的最大值,其次,我們應該確保最大鉗位電壓不會超過最大浪涌電壓允許的后級電路;最后,我們應該確保浪涌電流通過壓敏電阻不會超過它所能承受的浪涌電流。
額定功率等其他參數.通過簡單的驗算或實驗可以確定能量脈沖等。
2.Y電容
在進行共模浪涌試驗時,如果考慮到成本等因素,并且在共模路徑中沒有添加壓敏電阻或其他用于夾緊電壓的設備,則應確保Y電容電壓電阻高于試驗電壓。
3.輸入整流二極管
假設最大鉗位電壓大于輸入整流二極管能夠承受的最大反向電壓,則可能損壞二極管。因此,應選擇反向電阻大于最大鉗位電壓的二極管作為輸入整流二極管。
4.共模電感
理論上,共模電感只在共模路徑中起作用,但由于共模電感的兩個繞組并不是完全耦合的,未耦合的部分將作為差模路徑中的差模電感,影響EMC特性。
實例分析
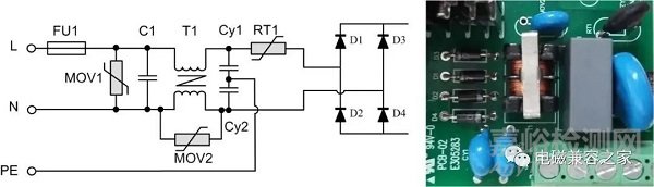
背景:以某型號的電源模塊為例,該模塊就是ZLG輸入85VAC~350VAC,且EMC模塊中嵌入前級電路電路。抗浪涌需要3個差動模塊電壓KV,共模電壓6KV。更換更大的保險絲后,它可以承受6KV差模電壓。前級原理圖及相應實物圖如圖2所示。
圖2.實例原理圖與
1.差模浪涌試驗
選擇壓敏電阻時,最大允許電壓應略大于350V,此電壓級壓敏電阻的最大鉗位電壓為10000V左右(50A測試電流)。其次,在差模路徑上,內阻等于2Ω.脈沖電壓為6KV如果電壓源與壓敏電阻串聯,峰值電流約為(6)KV-1KV)/2Ω=2500A。最終選擇了681KD14作為壓敏電阻。其峰值電流為4500A,最大允許工作電壓385VAC,最大鉗位電壓1120V。
不用擔心,因為共模電感器中未耦合的部分,作為差模路徑中的差模電感器,將分配部分電壓。事實上,在共模電感器之后,電路已經得到了保護。經過測試驗證,選擇常用的整流二極管1N4007即可。
2.共模浪涌試驗
當對ACL-PE或ACN-PE測試6KV浪涌時,即共模浪涌試驗,共模路徑等效為內阻約12Ω,脈沖電壓為6KV電壓源和共模電感.Y電容串聯。由于Y電容的選擇Y1級電容,其耐壓性較高,6KV共模浪涌的能量不足以損壞它,所以只需要保證PE如果布線與其它布線保持一定的間接,就可以輕松通過共模浪涌試驗。
然而,由于共模電感器的兩端在浪涌試驗過程中會產生高壓和飛弧。如果靠近周圍設備,可能會損壞周圍設備。因此,一個放電管或壓敏電阻可以并聯在其上限制其電壓,從而起到滅弧的作用。如圖所示MOV2所示。
還有一種方法PCB在設計過程中,在共模電感器的兩端增加放電齒,使電感器通過兩個放電尖端放電,避免通過其他路徑放電,從而盡量減少對周圍和后部設備的影響。如圖3所示ZLG致遠電子型號為PA1HBxOD-10W電源模塊PCB放電齒的實物圖加入共模電感。
圖3.放電齒實物圖
總結
EMC實驗通常是非常實用的,但是如果我們在設計中掌握了一些基本的原則EMC在前級電路中,將有更多的方向進行測試,以縮短項目開發的時間。本文結合了一個簡單的例子,從浪涌試驗的角度介紹了前級電路設備的選擇和典型電路。在未來的文章中,我們將繼續探討抗浪涌電路的相關內容EMC設計性能指標的角度EMC前級電路。
具有穩定性能的電源模塊,完善的浪涌防護電路將最大限度地保證系統供電的穩定性和可靠性。
